My Blog

Plywood Drums

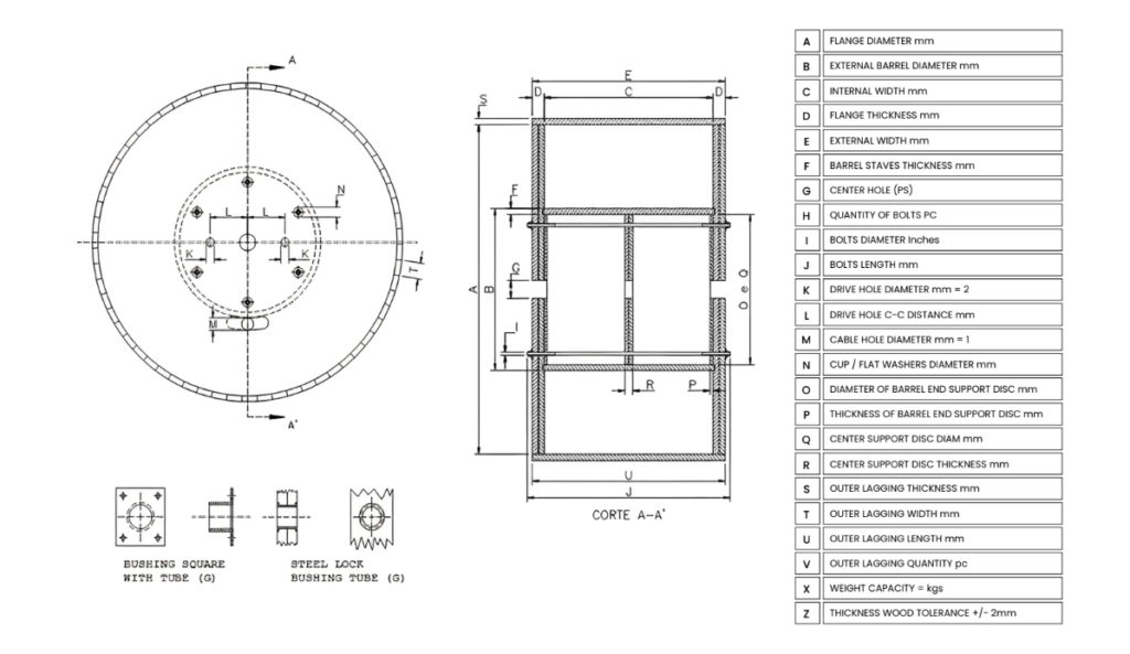
Plywood reels are intended for non-returnable, lightweight packaging for put-ups of wire, cable, rope, tape and chain products. Plywood reels are a versatile packaging medium. From the high quality of hardwood plywood to a more economical option of softwood plywood, we can design a reel to meet your specific cubic and carrying capacity. Plywood reels are a preferred packaging choice for insulated wire and cable, cordage products, ferrous wire, chain and other materials.

Flange

Hardwood Plywood (HP)

  • For the highest quality, strength,
    appearance, and durability this material
  • Diameter: Routinely available in sizes
    from 4” to 60”
  • Thickness: 8mm, 10mm, 12mm, 15mm,
    25mm, 32mm, 38mm
  • Weight Capacity: Depending on flange
    thickness, the weight capacity of this
    product ranges from 5-500 kgs.

Softwood Plywood (SW)

  • Another option and offers savings as an alternative to hardwood
    plywood
  • Thickness: 8mm, 10mm, 12mm, 15mm, 25mm, 32mm, 38mm
    (others as requested)
  • Diameter: Routinely available in sizes from 4” to 60”
  • Weight Capacity: Depending on flange thickness, the weight
    capacity of this product ranges from 5-500 kgs
PLYWOOD DRUMS3

Barrels

Paper Tubes

  • The usual component in our plywood reels; however, if additional
    strength is recommended, we offer the plywood barrel

Plywood Barrels

  • Ensure the extra strength demanded by added weight capacity

Wood Stave Barrels

  • Can be moulded for diameters of 8” and larger

Steel Barrels

  • Ideal for heavy strength and weight capacity

Borings

  • Arbor holes, drive pin holes, and other borings can be produced
    to your exact specifications.

Fasteners

Hexhead bolts with integrated flat washers in diameters of 1⁄4”
and 5/16” with t-nuts on opposite flange.

Ideal For

  • Commercial and industrial building
  • Telecommunications (wired, wireless, satellite and CATV)
  • Power transmission, control and distribution
  • Infrastructures (wire rope, cable and conduit)
  • Elevator cables